La loi d’ohm – exercices corrigés 3AC
📝Exercice 1 : Définitions essentielles
📚
Termes à définir :
Conducteur ohmique (résistor)
Résistance électrique (R)
Définition : La résistance électrique est une grandeur physique qui caractérise un conducteur ohmique. Elle note R et son unité dans le système international est l’ohm (Ω).
Valeur dans l’expérience : R = 100 Ω (rapport U/I constant = 100).
Loi d’Ohm
Énoncé : La tension U aux bornes d’un conducteur ohmique est égale au produit de sa résistance R et de l’intensité I du courant qui le traverse.
Formule : U = R × I avec U en volt (V), R en ohm (Ω), I en ampère (A).
Caractéristique d’un conducteur ohmique
Définition : C’est la courbe représentative des variations de la tension U en fonction de l’intensité I (U = f(I)).
Propriété : Pour un conducteur ohmique, cette courbe est une droite qui passe par l’origine. Cela traduit la proportionnalité entre U et I.
Intensité du courant électrique (I)
Définition : L’intensité du courant électrique représente le débit de charges électriques à travers un circuit. Elle se note I.
Unité : L’ampère (A). Appareil de mesure : L’ampèremètre (branché en série).
Tension électrique (U)
Définition : La tension électrique est la différence de potentiel électrique entre deux points d’un circuit. Elle se note U.
Unité : Le volt (V). Appareil de mesure : Le voltmètre (branché en dérivation/parallèle).
Coefficient directeur (pente) de la courbe U = f(I)
Définition : Le coefficient directeur (ou pente) d’une droite représente le rapport entre la variation de la tension et la variation de l’intensité.
Propriété : Pour un conducteur ohmique, la valeur du coefficient directeur correspond à la résistance R : R = ΔU/ΔI = U/I.
Exemple : R = 4 / 0,04 = 100 Ω.
Ohm (Ω)
Définition : L’ohm (symbole Ω) est l’unité de mesure de la résistance électrique dans le Système International (SI).
Équivalence : 1 Ω = 1 V / 1 A. Appareil de mesure : L’ohmmètre.
❓Exercice 2 : Vrai ou Faux
📝Affirmations à évaluer sur la résistance électrique et la loi d’Ohm :
Un conducteur ohmique est un dipôle polarisé.
VRAI
FAUX
La résistance électrique se note \(R\) et son unité est le volt (V).
VRAI
FAUX
La loi d’Ohm s’écrit \(U = R \times I\).
VRAI
FAUX
La caractéristique d’un conducteur ohmique est une courbe qui passe par l’origine.
VRAI
FAUX
Le coefficient directeur de la droite \(U = f(I)\) est égal à l’intensité du courant.
VRAI
FAUX
Un conducteur ohmique permet d’augmenter l’intensité du courant dans un circuit électrique.
VRAI
FAUX
L’ampèremètre se branche en dérivation (parallèle) pour mesurer l’intensité du courant.
VRAI
FAUX
Le voltmètre se branche en série pour mesurer la tension aux bornes d’un dipôle.
VRAI
FAUX
D’après la loi d’Ohm, si la résistance double et que la tension reste constante, l’intensité double également.
VRAI
FAUX
L’ohmmètre est l’appareil de mesure de la résistance électrique.
VRAI
FAUX
✏️Exercice 3 : Compléter les phrases à trous
📝Liste des mots disponibles :
résistance
ohm (Ω)
loi d’Ohm
U = R × I
caractéristique
tension (U)
intensité (I)
ampère (A)
volt (V)
ampèremètre
voltmètre
ohmmètre
série
dérivation
coefficient directeur
🔤Phrases à compléter :
Un __________ (appelé aussi résistor) est un dipôle non polarisé caractérisé par sa __________ notée R.
La __________ électrique s’écrit : __________ où U est la __________ en __________, R la résistance en __________ et I l’__________ en __________.
La __________ d’un conducteur ohmique est la courbe U = f(I). C’est une droite passant par l’origine.
Le __________ de la droite U = f(I) est égal à la résistance R = U/I.
L’__________ se branche en __________ dans le circuit pour mesurer l’intensité du courant.
Le __________ se branche en __________ (parallèle) aux bornes du dipôle pour mesurer la tension.
L’__________ est l’appareil de mesure de la résistance électrique.
Un conducteur ohmique permet de __________ l’intensité du courant dans un circuit électrique.
D’après la loi d’Ohm, si la tension U double et que la résistance R reste constante, l’intensité I __________ également.
La tension U aux bornes d’un conducteur ohmique est __________ à l’intensité I qui le traverse (coefficient de proportionnalité = R).
⚡Exercice 4 : Application de la loi d’Ohm
🔧Questions à choix multiples et calculs :
Un conducteur ohmique de résistance \(R = 47\ \Omega\) est traversé par un courant d’intensité \(I = 0,2\ A\). Quelle est la tension \(U\) à ses bornes ?
Aux bornes d’un résistor, on mesure une tension \(U = 12\ V\) et on observe un courant \(I = 0,05\ A\). Calculer sa résistance \(R\).
La caractéristique d’un conducteur ohmique est une droite passant par l’origine. Que représente le coefficient directeur (pente) de cette droite ?
On applique une tension \(U = 220\ V\) aux bornes d’un conducteur ohmique de résistance \(R = 1000\ \Omega\). Quelle est l’intensité \(I\) qui le traverse ?
D’après la loi d’Ohm, que se passe-t-il si on double la tension aux bornes d’un conducteur ohmique ?
Un résistor de \(R = 10\ \Omega\) est parcouru par un courant \(I = 500\ mA\). Calculer la tension \(U\) à ses bornes. (Attention aux unités !)
Quel est l’appareil de mesure de la résistance électrique et comment se branche-t-il ?
À partir des données du tableau de l’activité expérimentale (cours) : \(U = 4\ V\) donne \(I = 0,04\ A\), la résistance vaut \(100\ \Omega\). Si \(U = 10\ V\), quelle serait l’intensité \(I\) ?
📊Exercice 5 : Tableau des grandeurs électriques
Compléter le tableau suivant récapitulatif des grandeurs électriques étudiées dans le chapitre :
Tableau récapitulatif :
| Grandeur physique | Intensité du courant | Tension électrique | Résistance électrique |
|---|---|---|---|
| Son symbole | ……………. | ……………. | ……………. |
| Son unité | ……………. | ……………. | ……………. |
| Appareil de mesure | ……………. | ……………. | ……………. |
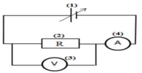
🔌Exercice 6 : Analyse d’un circuit électrique
On considère le schéma suivant :

Figure : Schéma du circuit électrique avec dipôles [1], [2], [3] et [4]
Donner le nom de chaque dipôle :
• Dipôle 1 : …………….
• Dipôle 2 : …………….
• Dipôle 3 : …………….
• Dipôle 4 : …………….
Sachant que l’appareil (3) indique la valeur 6V et l’appareil (4) indique la valeur 600mA. Calculer la grandeur physique R qui caractérise le dipôle (2).
Trouver l’intensité du courant électrique I qui traverse le dipôle (2) lorsque on applique entre ses bornes une tension \(U = 3V\).
⚡Exercice 7 :
Calculer la résistance du conducteur ohmique.
Calculer la tension aux bornes du conducteur ohmique.

📊Exercice 8 : Exploitation d’un tableau de mesures
Lors d’une activité expérimentale, un élève a noté les valeurs suivantes :
| I (mA) | 200 | 400 | 600 | 800 |
|---|---|---|---|---|
| I (A) | …….. | …….. | …….. | …….. |
| U (V) | 2 | 4 | 6 | 8 |
Comment a-t-il mesuré l’intensité du courant électrique I ? et la tension électrique U ?
Mesure de l’intensité I : ……………………
Mesure de la tension U : ……………………
Compléter le tableau ci-dessus.
Représenter l’évolution de la tension U en fonction de l’intensité du courant I (courbe U = f(I)).
Déterminer la valeur de la résistance R du conducteur ohmique utilisé. Justifier votre réponse.
📈Exercice 9 : Exploitation de la caractéristique d’une résistance
On a le graphique qui donne la caractéristique d’une résistance :

Déterminer graphiquement la tension aux bornes de cette résistance lorsqu’elle est traversée par un courant de 20 mA.
Déterminer graphiquement l’intensité du courant qui traverse la résistance lorsqu’on applique une tension de 5 V.
Déterminer la valeur de la résistance R de ce conducteur ohmique (le coefficient de proportionnalité).
La loi d’ohm – exercices corrigés 3AC
