La pression et la pression atmosphérique exercices corrigés
I. Notion de pression.
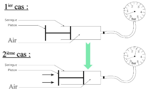
1. Activité expérimentale :
On fait rentrer l’air dans une seringue et en ferme l’orifice.
2. Observation et conclusion :
- – Lorsqu’on pousse le piston, le volume d’air diminue et sa pression augmente.
- – Lorsqu’on tire le piston, le volume d’air augmente et sa pression diminue.
3. Définition de la pression :
- – La pression est une grandeur physique mesurable, symbolisée par la lettre P.
- – L’unité internationale de la pression est le Pascal de symbole Pa.
- – Pour mesurer la pression d’un gaz enfermé dans un récipient, on utilise le manomètre.
- – On utilise aussi :
- ➤ L’hectopascal avec 1hPa = 100Pa
- ➤ Le bar avec 1bar = 100000Pa = 1000hPa
II. Pression atmosphérique.
1. Activité expérimentale :
On remplit complètement un verre d’eau, puis on place un papier sur ce verre avant de retourner.
2. Observation et conclusion :
- – L’eau reste dans le verre et ne s’écoule pas.
- – L’air exerce une poussée sur la feuille de papier et empêche l’eau de s’échapper du verre, on appelle cette poussée la pression atmosphérique.
3. Définition :
- – La pression atmosphérique est la pression exercée par l’air de l’atmosphère sur tous les corps.
- – Pour mesurer la pression atmosphérique, on utilise le baromètre.
- – La valeur de la pression atmosphérique au niveau de la mer est : 1013 hPa.
Remarque :
La pression atmosphérique diminue lorsque l’altitude augmente.
Exercice 1:
Compléter les phrases ci-dessous par le mot qui convient:
• La $.……………$ est la poussée exercée par$.……………$ de l’atmosphère qui entoure la terre sur tous les corps.
•L’instrument de mesure de la pression atmosphérique est le $.……………$
• L’unité internationale de la pression est le $.……………$ son symbole est $.……………$
• Pour mesurer la pression d’un gaz enfermé dans un récipient, on utilise le $.……………$
• Si on diminue le volume d’un gaz sa pression $.……………$
• Si on $.……………$ le volume d’un gaz sa pression diminue.
• La pression atmosphérique est la poussée exercée par l’air de l’atmosphère qui entoure la terre sur tous les corps.
•L’instrument de mesure de la pression atmosphérique est le baromètre
• L’unité internationale de la pression est le Pascal son symbole est Pa
• Pour mesurer la pression d’un gaz enfermé dans un récipient, on utilise le manomètre
• Si on diminue le volume d’un gaz sa pression augmente
• Si on augmente le volume d’un gaz sa pression diminue.
Exercice 2:
Réponds par vrai ou faux :
• Lorsqu’on comprime un gaz, sa masse ne change pas $……………$
• L’unité internationale de la masse est le Pascale $……………$
• La pression atmosphérique se mesure avec le baromètre $……………$
• L’air est incompressible car son volume ne change pas. $……………$
• Si on diminue le volume d’un gaz sa pression diminue $……………$
• Si on augmente le volume d’un gaz sa pression diminue $……………$
• Pour mesurer une température, on utilise un manomètre $……………$
Exercice 3:
Entourer la bonne réponse :
• Lors de la compression d’un gaz, son volume diminue/augmente, alors que sa pression, diminue/augmente.
• Lors de la détente d’un gaz, son volume diminue/augmente, alors que sa pression, diminue/augmente.
• Pour mesurer la pression /le volume /la masse de l’air dans un pneu, on utilise un manomètre / baromètre.
• De l’air est enfermé dans une seringue .lorsqu’on enfonce le piston, le volume/la masse de l’air ne varie pas, alors que le volume/la masse de l’air diminue /augmente. Cela s’appelle une détente/compression.
Exercice 4:
Convertir :
$12bar = ……………hPa$
$85000Pa = …………..bar$
$1,35bar = …………. Pa$
$160000 hPa = ……………bar$
$12 hPa = …………..mbar$
$3 Pa = …………..hPa$
$1013 hPa = ……………. cmHg$
$155 mmHg = ……………hPa$
$6000 Pa = …………cmHg$
$760mm$ de mercure($Hg$)$ =…….…hPa$
$1mm$ de mercure$=………….hPa$
$1bar = ……………cm-Hg$
$1atm=……………bar$
Exercice 5:
On enferme de l’air dans une seringue avec un doigt puis on considère les deux situations suivantes :
$A.$ On pousse le piston.
$B.$ On tire le piston .

$1)$ Donner la différence entre :
• La masse du gaz dans la situation $A$ et la situation $B$
• Le volume du gaz dans la situation $A$ et la situation $B$
$2)$ Dans la situation $A$, avant de pousser, le volume d’air était de $50mL$.
$a)$ Calculer la masse d’air emprisonnée dans la seringue sachant qu’un litre ($1L$) d’air pèse $1,3g$.
$b)$ La masse d’air est-elle toujours la même après avoir poussé le piston ?pourquoi ?
Exercice 6:
La pression de l’air enfermé dans une seringue est de $1010hPa$.
On déplace le piston et on mesure alors $1125hPa$.
$1)$ Comment le volume d’air a-t-il varié à l’intérieur de la seringue ?justifiez votre réponse.
$2)$ L’air-a-t-il été comprimé ou détendu ?
$3)$ Entourez la bonne réponse :
Le piston de la seringue a été poussé / a été tire / est resté immobile.
$4)$ Exprimez ses deux pressions en bar et en mmHg.
Exercice 7:
On enferme un volume de l’air dans une seringue en bouchant son orifice par un appareil de mesure de la pression.

$1)$ Quel est le nom de cet appareil ?
$2)$ Quelle est la valeur de la pression dans les deux cas?
$3)$ On pousse le piston, comment le volume de l’air va-t-il varié dans la seringue ?
$4)$ L’air dans la seringue va-t-il subi une compression ou bien une expansion?
Exercice 8:
On emprisonne de l’air dans une seringue dont on a bouché son orifice par un manomètre.

$1)$ Déterminer la valeur de la pression $P$ dans la seringue.
$2)$ Convertir cette pression en Pa puis en Bar.
$3)$ On pousse le piston :
$a)$ Le volume de l’air va-t-il augmenter ou bien diminuer ?
$b)$ Est-ce que la pression de l’air dans la seringue a augmentê ou a diminué ?
Exercice 9:
$\begin{array} {|r|r|}\hline Altitude \quad (\mathrm{m}) & P_{\text {atm }}\quad (\mathrm{hPa}) \\ \hline 0 \quad \quad & 1013 \quad \quad \\ \hline 1000 \quad \quad & 899 \quad \quad \\ \hline 2000 \quad \quad & 795 \quad \quad \\ \hline 3000 \quad \quad & 701 \quad \quad \\ \hline \end{array}$
$1)$ Quel est l’appareil qu’on utilise pour mesurer la pression atmosphérique ?
$2)$ Quel est la valeur de la pression atmosphérique au niveau de la mer ?
$3)$ Comment varie la pression atmosphérique lorsqu’on s’élève dans le ciel ?
$4)$ Convertir $P_{\text {atm }}=899 \mathrm{hPa}$ en mmHg .
Exercice 10:
$1)$ Une seringue contient du gaz (Figure 1). On bouche l’extrémité de cette seringue.
En Figure 2, le gaz est comprimé ; dessiner le piston de la seringue.
En Figure 3, le gaz est détendu ; dessiner le piston de la seringue.

$2)$ On enferme de l’air dans une seringue. On bouche la seringue et on appuie sur le piston.
Parmi les propositions suivantes correspondant à l’air enfermé dans la seringue, entoure celles qui sont correctes.
Quand on appuie sur le piston de la seringue :
* le volume de l’air diminue
* la masse de l’air diminue
* la pression de l’air diminue
* le volume de l’air ne change pas
* la masse de l’air ne change pas
* la pression de l’air ne change pas
* le volume de l’air augmente
* la masse de l’air augmente
* la pression de l’air augmente
* l’expérience montre que l’air est compressible
* l’expérience montre que l’air est expansible
Exercice 11:
Comparer la pression à l’intérieur et à l’extérieur de la bouteille.

Exercice 12:
Bouche avec un de tes doigts l’extrémité de la seringue, afin d’emprisonner un certain volume d’air dans la seringue.

Appuie sur le piston avec ton autre main.
$1)$ Que constates-tu ?
$2)$ Relâche ensuite le piston. Que se passe t-il ?
On relie maintenant un manomètre à l’extrémité de la seringue.
$3)$ Que constates-tu lorsque l’on appuie sur le piston ?
$4)$ Comment varie le volume d’air dans la seringue lorsque l’on appuie sur le piston de la seringue ?
$5)$ Quelle grandeur physique mesure un manomètre ?
$6)$ Comment varie la pression de l’air dans la seringue lorsque l’on appuie sur le piston ?
$7)$ Rédige ta conclusion en répondant aux questions suivantes :
• l’air est-il compressible ?
• Comment varient le volume et la pression de l’air lorsqu’on le comprime ?
La pression et la pression atmosphérique exercices corrigés
