La tension électrique – exercices corrigés
❓Exercice 1 : Vrai ou Faux – La tension électrique
📝
Affirmations à évaluer :
La tension électrique \(U_{AB}\) entre deux points A et B d’un circuit est définie par la relation \(U_{AB} = V_B – V_A\).
VRAI
FAUX
L’unité de mesure de la tension électrique est le volt, noté V.
VRAI
FAUX
Dans un circuit en série, la tension aux bornes du générateur est égale à la somme des tensions aux bornes de tous les dipôles en série.
VRAI
FAUX
Si \(V_A = 12V\) et \(V_B = 5V\), alors la tension \(U_{AB} = 7V\).
VRAI
FAUX
Dans un circuit en dérivation, les tensions aux bornes de tous les dipôles branchés en dérivation sont différentes.
VRAI
FAUX
La tension efficace \(U_{eff}\) d’une tension alternative sinusoïdale est reliée à sa tension maximale \(U_{max}\) par la relation \(U_{eff} = U_{max} \times \sqrt{2}\).
VRAI
FAUX
Pour mesurer une tension avec un voltmètre à aiguille, on utilise la relation \(U = C \times \frac{n}{n_0}\) où C est le calibre, n la déviation de l’aiguille et \(n_0\) le nombre total de divisions du cadran.
VRAI
FAUX
La période T d’une tension périodique est l’inverse de sa fréquence f, ce qui se traduit par la relation \(f = \frac{1}{T}\).
VRAI
FAUX
Avec un oscilloscope, si la sensibilité verticale est réglée sur \(2V/div\) et que le signal présente une déviation verticale de 4 divisions, alors la tension mesurée est de 2V.
VRAI
FAUX
Si la tension \(U_{AB} = -3V\), cela signifie que le potentiel au point A est inférieur au potentiel au point B.
VRAI
FAUX
La tension électrique \(U_{AB}\) entre deux points A et B d’un circuit est définie par la relation \(U_{AB} = V_B – V_A\).
VRAI
FAUX
Correction : La relation correcte est \(U_{AB} = V_A – V_B\).
L’unité de mesure de la tension électrique est le volt, noté V.
VRAI
FAUX
Dans un circuit en série, la tension aux bornes du générateur est égale à la somme des tensions aux bornes de tous les dipôles en série.
VRAI
FAUX
C’est la loi d’additivité des tensions dans un circuit en série.
Si \(V_A = 12V\) et \(V_B = 5V\), alors la tension \(U_{AB} = 7V\).
VRAI
FAUX
Calcul : \(U_{AB} = V_A – V_B = 12 – 5 = 7V\).
Dans un circuit en dérivation, les tensions aux bornes de tous les dipôles branchés en dérivation sont différentes.
VRAI
FAUX
Correction : Dans un circuit en dérivation, les tensions aux bornes de tous les dipôles sont identiques (loi d’unicité de la tension).
La tension efficace \(U_{eff}\) d’une tension alternative sinusoïdale est reliée à sa tension maximale \(U_{max}\) par la relation \(U_{eff} = U_{max} \times \sqrt{2}\).
VRAI
FAUX
Correction : La relation correcte est \(U_{eff} = \frac{U_{max}}{\sqrt{2}}\).
Pour mesurer une tension avec un voltmètre à aiguille, on utilise la relation \(U = C \times \frac{n}{n_0}\) où C est le calibre, n la déviation de l’aiguille et \(n_0\) le nombre total de divisions du cadran.
VRAI
FAUX
La période T d’une tension périodique est l’inverse de sa fréquence f, ce qui se traduit par la relation \(f = \frac{1}{T}\).
VRAI
FAUX
C’est la relation fondamentale entre fréquence et période.
Avec un oscilloscope, si la sensibilité verticale est réglée sur \(2V/div\) et que le signal présente une déviation verticale de 4 divisions, alors la tension mesurée est de 2V.
VRAI
FAUX
Correction : Calcul correct : \(U = S_v \times Y = 2 \times 4 = 8V\).
Si la tension \(U_{AB} = -3V\), cela signifie que le potentiel au point A est inférieur au potentiel au point B.
VRAI
FAUX
Si \(U_{AB} = V_A – V_B = -3V\), alors \(V_A < V_B\), donc le potentiel en A est bien inférieur à celui en B.
✏️Exercice 2 : Compléter les phrases à trous
📝
Liste des mots disponibles :
potentiel
différence
série
dérivation
additivité
unicité
oscilloscope
efficace
maximale
période
fréquence
alternatives
voltmètre
tension
🔤
Phrases à compléter :
La __________ électrique est la __________ de __________ entre deux points d’un circuit.
L’unité de mesure de la tension est le __________ (V).
La loi d’__________ des tensions s’applique dans les circuits en __________.
Dans un circuit en __________, la loi d’__________ de la tension indique que tous les dipôles ont la même tension.
Pour mesurer une tension continue, on utilise généralement un __________.
L’__________ est un appareil qui permet de visualiser les tensions variables dans le temps.
Les tensions __________ prennent des valeurs positives puis négatives alternativement.
Pour une tension alternative sinusoïdale, la tension __________ \(U_{max}\) et la tension __________ \(U_{eff}\) sont liées par \(U_{eff} = \frac{U_{max}}{\sqrt{2}}\).
La __________ T d’une tension périodique est l’inverse de la __________ f : \(f = \frac{1}{T}\).
Si \(U_{AB} = -5V\), cela signifie que le __________ au point A est inférieur à celui au point B.
🔒 Abonnez-vous pour accéder à la correction détaillée .
🔌Exercice 3 : Mesure avec un oscilloscope
📋
Énoncé :
On réalise le montage ci-dessous. L’oscilloscope est branché aux bornes du dipôle BC.

❓
Questions :
Quelle tension l’oscilloscope mesure-t-il ?
Quelle particularité de réglage l’oscilloscope possède-t-il ?
La tension mesurée est-elle variable ?
Quelle est la valeur de cette tension ? (Donnez le calcul)
Indication : Sur l’écran de l’oscilloscope, le spot présente une déviation verticale de 3,5 divisions. La sensibilité verticale est réglée sur \(2V.div^{-1}\).
🔒 Abonnez-vous pour accéder à la correction détaillée .
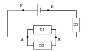
🔌Exercice 4 : Circuit avec un générateur et deux dipôles
📋
Énoncé :
On considère le montage suivant composé d’un générateur et de deux dipôles montés en série.
[Schéma du circuit]

Donnée : Le générateur maintient entre ses bornes une tension constante \(U_{PN} = 6,0V\).
❓
Questions :
Représenter sur le schéma les tensions \(U_{PN}\), \(U_{AB}\) et \(U_{BN}\).
Représenter sur le schéma l’appareil permettant de mesurer la tension \(U_{BN}\).
On mesure la tension \(U_{BN} = 2,5V\). Déterminer la tension \(U_{AB}\).
🔒 Abonnez-vous pour accéder à la correction détaillée .
🔌Exercice 5 : Circuit avec plusieurs dipôles en série
📋
Énoncé :
Dans le circuit ci-dessous, on a mesuré les tensions \(U_{EF} = -3,54V\) et \(U_{PN} = 6V\).
[Schéma du circuit]
Circuit série : Générateur P-N → Dipôle A-B → Dipôle C-D → Dipôle E-F
Points alignés : P, A, B, C, D, E, F, N
Données mesurées :
Note : Le signe négatif de \(U_{EF}\) indique que le potentiel en E est inférieur à celui en F.
❓
Questions :
Représenter sur le schéma les tensions \(U_{PN}\), \(U_{BA}\), \(U_{DC}\) et \(U_{FE}\).
Déterminer les tensions \(U_{BA}\), \(U_{DC}\) et \(U_{DB}\).
🔒 Abonnez-vous pour accéder à la correction détaillée .
🔌Exercice 6 : Circuit avec conducteurs ohmiques identiques
📋
Énoncé :
Soit le schéma ci-contre représentant un circuit électrique avec un générateur et trois conducteurs ohmiques montés en série.
[Schéma du circuit]

Information importante :
Les trois conducteurs ohmiques sont identiques. La tension \(U_{PN}\) aux bornes du générateur est \(U_{PN} = 9V\).
❓
Questions :
Représenter sur le schéma les flèches représentant : \(U_{PN}\), \(U_{AB}\), \(U_{CD}\) et \(U_{DE}\).
Quelle relation lient ces tensions ?
Que dire des points \(B\) et \(C\) ? Puis \(A\) et \(P\) ? Puis \(E\) et \(N\) ? Que valent alors les tensions \(U_{BC}\) ? \(U_{EN}\) ? Et \(U_{AP}\) ?
Les trois conducteurs ohmiques sont identiques. La tension \(U_{PN}\) aux bornes du générateur est \(U_{PN} = 9V\). Que valent les tensions \(U_{AB}\), \(U_{CD}\) et \(U_{DE}\) ?
🔒 Abonnez-vous pour accéder à la correction détaillée .
🔌Exercice 7 : Circuit avec deux branches en dérivation
📋
Énoncé :
Des mesures de tensions électriques effectuées sur ce montage donnent :
[Schéma du circuit]

Données mesurées :
❓
Questions :
Calculer \(U_{AB}\).
Quelle est la valeur de \(U_{EF}\) ?
🔒 Abonnez-vous pour accéder à la correction détaillée .
🔌Exercice 8 : Circuit série avec trois dipôles
📋
Énoncé :
Pour le circuit électrique suivant, on donne les tensions suivantes :
[Schéma du circuit]
Données :
Tension du générateur
\(U_{PN} = 12V\)
Tension AB
\(U_{AB} = 3V\)
Tension EF
\(U_{EF} = 5V\)
❓
Question :
Calculer la tension \(U_{CD}\).
🔒 Abonnez-vous pour accéder à la correction détaillée .
🔌Exercice 9 : Compléter les tensions manquantes
📋
Énoncé :
Compléter le schéma ci-dessous en ajoutant les valeurs des différentes tensions.
[Schéma du circuit complexe]

Informations importantes :
- Les points B et N sont reliés par un fil de connexion
- Les points G et D sont reliés par un fil de connexion
- Le circuit comporte plusieurs mailles
❓
Tensions à déterminer :
Calculer \(U_{PA}\)
Calculer \(U_{DC}\)
Calculer \(U_{FE}\)
🔒 Abonnez-vous pour accéder à la correction détaillée .
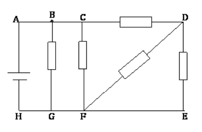
🔌Exercice 10 : Circuit complexe avec plusieurs branches
📋
Énoncé :
On considère le montage d’un circuit électrique ci-dessous.
[Schéma du circuit complexe]

Objectif : Analyser ce circuit complexe en déterminant les branches, nœuds et tensions manquantes.
❓
Questions :
Quelles sont les branches et les nœuds du circuit ?
Calculer les tensions \(U_{CF}\), \(U_{FD}\) et \(U_{DE}\).
Représenter par des flèches les tensions \(U_{CF}\), \(U_{FD}\) et \(U_{DE}\). Préciser le sens du courant.
🔒 Abonnez-vous pour accéder à la correction détaillée .
🔌Exercice 11 : Circuit mixte avec générateur et plusieurs branches
📋
Énoncé :
Soit le schéma du montage suivant :
[Schéma du circuit mixte]

Objectif : Analyser ce circuit mixte en déterminant les intensités et tensions manquantes.
❓
Questions :
📊Partie 1 : Analyse des intensités
Quels sont les nœuds du circuit ?
On donne : \(I_{1} = 0,6A\) ; \(I_{2} = 0,2A\) et \(I_{3} = 0,1A\).
Calculer les intensités \(I_{4}\) ; \(I_{5}\) et \(I_{6}\).
⚡Partie 2 : Analyse des tensions
On donne les tensions \(U_{PN} = 24V\) ; \(U_{PA} = 12V\) ; \(U_{AC} = 8V\) et \(U_{BC} = 6V\).
Représenter les flèches des tensions : \(U_{PN}\) ; \(U_{PA}\) ; \(U_{AC}\) ; \(U_{BC}\) ; \(U_{CN}\) ; \(U_{AB}\) ; \(U_{EF}\).
Calculer les tensions \(U_{CN}\) ; \(U_{AB}\) ; \(U_{BE}\) et \(U_{EF}\).
En déduire \(U_{FE}\).
🔒 Abonnez-vous pour accéder à la correction détaillée .
📊Exercice 12 : La tension alternative – Oscillogramme
Énoncé
La vitesse de balayage de l’oscilloscope est \(S_{B} = 1\) ms/div. La sensibilité verticale de l’oscilloscope est \(S_{V} = 2\) V/div.
Données :
- Vitesse de balayage : \(S_{B} = 1\ \text{ms/div}\)
- Sensibilité verticale : \(S_{V} = 2\ \text{V/div}\)
📋Questions :
Combien de périodes compte-t-on sur cet oscillogramme ?
Calculer la période \(T\) de cette tension.
Calculer la fréquence \(f\) de cette tension.
Calculer la tension \(U_{\mathrm{max}}\) de cette tension, déduire la tension efficace.
Calcul de \(U_{\mathrm{max}}\)
Déduction de la tension efficace \(U_{\mathrm{eff}}\)
🔒 Abonnez-vous pour accéder à la correction détaillée .
📊Exercice 13 : Tension sinusoïdale – Paramètres oscilloscope
Énoncé
La fréquence de cette tension sinusoïdale est \(f = 100\) Hz. La tension maximale \(U_{\mathrm{max}}\) de cette tension est \(U_{\mathrm{max}} = 1\) V.

Données :
- Fréquence : \(f = 100\ \text{Hz}\)
- Tension maximale : \(U_{\mathrm{max}} = 1\ \text{V}\)
- Sur l’oscillogramme : 1 période = 10 divisions horizontales
- Amplitude : \(Y = 2\) divisions verticales
📋Questions :
Calculer la période \(T\) de cette tension.
Calculer la vitesse de balayage \(S_{B}\) de l’oscilloscope.
Calculer la sensibilité verticale \(S_{V}\) de l’oscilloscope.
🔒 Abonnez-vous pour accéder à la correction détaillée .
📊Exercice 14 : Analyse d’un oscillogramme
Énoncé
À partir de l’oscillogramme ci-dessous, analyser la tension sinusoïdale affichée.

Questions :
Déterminer la période et la valeur maximale de la tension ci-dessous.
Indications :
- Utiliser la base de temps et le nombre de divisions horizontales pour la période
- Utiliser la sensibilité verticale et le nombre de divisions verticales pour la tension maximale
Quelle est la fréquence de cette tension?
Quelle est la valeur efficace de cette tension?
🔒 Abonnez-vous pour accéder à la correction détaillée .
La tension électrique – exercices corrigés
