Association des conducteurs ohmiques -exercices corrigés
❓Exercice 1 : Vrai ou Faux
⚡Affirmations à évaluer sur les conducteurs ohmiques :
La résistance électrique d’un conducteur ohmique s’exprime en ohms (Ω).
VRAI
FAUX
La loi d’Ohm s’écrit \(U = R \times I\).
VRAI
FAUX
La conductance G d’un conducteur ohmique est égale à sa résistance R.
VRAI
FAUX
La résistance d’un fil métallique est indépendante de sa longueur.
VRAI
FAUX
Pour des résistances en série, la résistance équivalente est \(R = R_1 + R_2\).
VRAI
FAUX
Pour des résistances en dérivation, la résistance équivalente vérifie \(\frac{1}{R} = \frac{1}{R_1} + \frac{1}{R_2}\).
VRAI
FAUX
Dans un montage diviseur de tension, la tension de sortie \(U_{CB}\) est donnée par \(U_{CB} = \frac{R_{CB}}{R_{AB}} \times U_{AB}\).
VRAI
FAUX
Un rhéostat est une résistance variable à deux bornes uniquement.
VRAI
FAUX
La caractéristique \(U = f(I)\) d’un conducteur ohmique est une droite passant par l’origine.
VRAI
FAUX
La résistance équivalente à deux résistances identiques \(R\) en parallèle est \(R/2\).
VRAI
FAUX
La résistance électrique d’un conducteur ohmique s’exprime en ohms (Ω).
VRAI
FAUX
La loi d’Ohm s’écrit \(U = R \times I\).
VRAI
FAUX
La conductance G d’un conducteur ohmique est égale à sa résistance R.
VRAI
FAUX
Correction : La conductance est l’inverse de la résistance : \(G = \frac{1}{R}\).
La résistance d’un fil métallique est indépendante de sa longueur.
VRAI
FAUX
Correction : \(R = \rho \frac{L}{S}\) : la résistance est proportionnelle à la longueur.
Pour des résistances en série, la résistance équivalente est \(R = R_1 + R_2\).
VRAI
FAUX
Pour des résistances en dérivation, la résistance équivalente vérifie \(\frac{1}{R} = \frac{1}{R_1} + \frac{1}{R_2}\).
VRAI
FAUX
Dans un montage diviseur de tension, la tension de sortie \(U_{CB}\) est donnée par \(U_{CB} = \frac{R_{CB}}{R_{AB}} \times U_{AB}\).
VRAI
FAUX
Un rhéostat est une résistance variable à deux bornes uniquement.
VRAI
FAUX
Correction : Un rhéostat possède trois bornes A, B et C.
La caractéristique \(U = f(I)\) d’un conducteur ohmique est une droite passant par l’origine.
VRAI
FAUX
La résistance équivalente à deux résistances identiques \(R\) en parallèle est \(R/2\).
VRAI
FAUX
✏️Exercice 2 : Compléter les phrases à trous
📝Liste des mots disponibles :
ohm
conductance
siemens
U = R × I
linéaire
longueur
section
résistivité
série
dérivation
équivalente
additivité
nœuds
diviseur de tension
rhéostat
🔤Phrases à compléter :
Le conducteur ohmique est un dipôle passif caractérisé par sa __________ notée R, qui s’exprime en __________ (Ω).
La loi d’Ohm s’exprime par la relation __________, où U est la tension en volts et I l’intensité en ampères.
La caractéristique U = f(I) d’un conducteur ohmique est une droite __________ dont le coefficient directeur est la résistance R.
La __________ G d’un conducteur ohmique est l’inverse de sa résistance R et s’exprime en __________ (S).
La résistance d’un fil métallique dépend de sa __________ L, de sa __________ S et de la __________ ρ du matériau.
L’association en __________ de conducteurs ohmiques obéit à la loi d’__________ des tensions : U = U₁ + U₂.
L’association en __________ obéit à la loi des __________ : I = I₁ + I₂.
La résistance __________ de deux résistances en série est R = R₁ + R₂.
La résistance équivalente de deux résistances en dérivation vérifie la relation : \(\frac{1}{R} = \frac{1}{R_1} + \frac{1}{R_2}\).
Le montage __________ permet d’obtenir une tension variable à partir d’un générateur continu à l’aide d’un __________.
🔒 Abonnez-vous pour accéder à la correction détaillée .
🔌Exercice 3 : Calcul de résistance équivalente
📋Énoncé :
On considère le circuit ci-dessous :
\(R_1 = 60 \, \Omega \quad ; \quad R_2 = 20 \, \Omega \quad ; \quad R_3 = 30 \, \Omega\)

❓Question :
Calculer la résistance équivalente \(R_e\) de ces 3 conducteurs ohmiques.
🔒 Abonnez-vous pour accéder à la correction détaillée .
🔌Exercice 4 : Circuits avec trois résistances
📋Énoncé :
On réalise les circuits électriques suivants :
\(R_1 = 100 \, \Omega \quad ; \quad R_2 = 25 \, \Omega \quad ; \quad R_3 = 5 \, \Omega\)
❓Question :
Calculer la résistance équivalente \(R_e\) de ces 3 conducteurs ohmiques de chacun de ces circuits.
🔒 Abonnez-vous pour accéder à la correction détaillée .
🔌Exercice 5 : Circuit avec trois résistances
📋Énoncé :
On considère le schéma d’un circuit suivant :
\(R_1 = 10 \, \Omega \quad ; \quad R_2 = 5 \, \Omega \quad ; \quad R_3 = 5 \, \Omega\)

❓Question :
Calculer la résistance équivalente \(R_e\) à l’association des 3 résistances dans le circuit.
🔒 Abonnez-vous pour accéder à la correction détaillée .
🔌Exercice 6:
📋Énoncé :
On considère le circuit suivant :
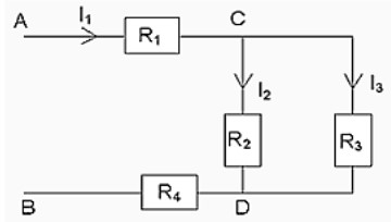
\(R_1 = 2\ \Omega \quad ; \quad R_2 = R_3 = 4\ \Omega \quad ; \quad R_4 = 16\ \Omega\)

❓Question :
Calculer la résistance équivalente \(R_e\) à l’association des 4 résistances dans le circuit.
🔒 Abonnez-vous pour accéder à la correction détaillée .
🔌Exercice 7:
📋Énoncé :
On considère le schéma suivant :
\(R_1 = 5\ \Omega \quad ; \quad R_2 = 10\ \Omega \quad ; \quad R_3 = 4\ \Omega\)

❓Question :
Calculer la tension aux bornes du générateur si l’intensité du courant qui traverse \(R_2\) est 0,3 A.
🔒 Abonnez-vous pour accéder à la correction détaillée .
🔌Exercice 8 :
📋Énoncé :
On réalise le circuit ci-contre :
\(R_1 = 47\ \Omega \quad ; \quad R_2 = 33\ \Omega \quad ; \quad R_3 = 82\ \Omega\)

On applique entre les bornes A et B une tension \(U_{AB} = 12\ V\).
❓Questions :
Quelle est l’intensité du courant \(I_1\) traversant \(R_1\) ?
Quelle est l’intensité du courant \(I_2\) traversant \(R_2\) ?
En déduire la tension aux bornes de la résistance \(R_3\).
Calculer la valeur de l’intensité \(I\) du courant dans la branche principale.
En déduire la valeur de la résistance équivalente \(R\) du circuit.
Retrouver la valeur de \(R\) en utilisant les lois d’association des conducteurs ohmiques.
🔒 Abonnez-vous pour accéder à la correction détaillée .
🔌Exercice 9:
📋Énoncé :
On réalise le circuit ci-contre :
\(R_1 = 56\ \Omega \quad ; \quad R_2 = 68\ \Omega \quad ; \quad R_3 = 82\ \Omega\)

On applique entre les bornes A et B une tension \(U_{AB} = 6\ V\).
❓Questions :
Calculer la résistance \(R\) du dipôle \(AB\).
Déterminer l’intensité du courant \(I_1\) qui traverse \(R_1\).
Calculer la tension \(U_{AC}\).
Calculer la tension \(U_{CB}\).
Calculer les intensités \(I_2\) et \(I_3\) des courants traversant \(R_2\) et \(R_3\).
En appliquant la loi des nœuds, vérifier la valeur de \(I_1\) trouvée précédemment.
🔒 Abonnez-vous pour accéder à la correction détaillée .
📊Exercice 10: Étude de la caractéristique d’un dipôle
📋Énoncé :
On étudie la caractéristique d’un dipôle pour lequel on a relevé les mesures suivantes :
| \(I(mA)\) | 0 | 6 | 12 | 16 | 20 |
|---|---|---|---|---|---|
| \(U(V)\) | 0 | 2,8 | 5,5 | 7,5 | 9,4 |
Le constructeur indique \(I_{max} = 25\ mA\)
❓Questions :
Tracer la courbe \(U = f(I)\). Écrire son équation. Quelle est la nature de ce dipôle ? Calculer la conductance.
Quelle tension maximale peut-on appliquer à ce dipôle ? Quelle puissance maximale peut-on recevoir ?
On rappelle que la puissance électrique reçue par un dipôle passif est le produit \(P = UI\) ; \(P\) est exprimée en Watts (W).
🔒 Abonnez-vous pour accéder à la correction détaillée .
🔌Exercice 11:
📋Énoncé :
On applique aux bornes A et B du montage ci-dessus une tension électrique \(U_{AB}\).
\(U_{AB} = 6\ V \quad ; \quad R_1 = 330\ \Omega \quad ; \quad R_2 = 220\ \Omega \quad ; \quad R_3 = 820\ \Omega\)

❓Questions :
Calculer la résistance équivalente \(R_{23}\) aux deux résistances \(R_2\) et \(R_3\).
Calculer la résistance équivalente \(R_e\) à l’ensemble du circuit (dipôle AB).
Déterminer l’intensité \(I\) du courant.
Déduire \(I_1\) et \(I_2\).
Calculer les tensions \(U_{AC}\) et \(U_{CB}\).
🔒 Abonnez-vous pour accéder à la correction détaillée .
🔌Exercice 12 :
📋Énoncé :
On applique aux bornes A et B du montage ci-dessus une tension électrique \(U_{AB}\).
\(U_{AB} = 12\ V \quad ; \quad R_1 = 60\ \Omega \quad ; \quad R_2 = 200\ \Omega \quad ; \quad R_3 = 300\ \Omega \quad ; \quad R_4 = 20\ \Omega\)

❓Questions :
Calculer la résistance équivalente \(R_e\) aux deux résistances \(R_2\) et \(R_3\).
Calculer la résistance équivalente à l’ensemble du circuit (dipôle AB).
Déterminer l’intensité \(I_1\) du courant dans la résistance \(R_1\).
Calculer les tensions \(U_{CD}\), \(U_{AC}\) et \(U_{DB}\).
Déterminer les intensités \(I_2\) et \(I_3\) dans les résistances \(R_2\) et \(R_3\).
🔒 Abonnez-vous pour accéder à la correction détaillée .
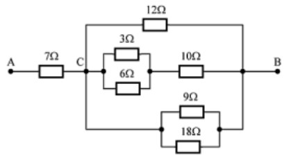
🔌Exercice 13 :
📋Énoncé :
On considère le groupement ci-dessus :

❓Questions :
Calculer la résistance équivalente de chacune des branches reliant C et B.
En déduire la résistance totale entre A et B.
🔒 Abonnez-vous pour accéder à la correction détaillée .
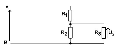
🔌Exercice 14:
📋Énoncé :
\(R_1 = R_2 = R_3 = 1\ k\Omega \quad ; \quad U_{AB} = 10\ V\)

❓Question :
Déterminer la valeur de la tension \(U_2\).
🔒 Abonnez-vous pour accéder à la correction détaillée .
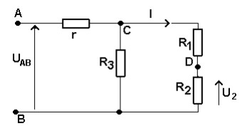
🔌Exercice 15:
📋Énoncé :
\(r = 50\ \Omega \quad ; \quad R_1 = R_2 = R_3 = 100\ \Omega \quad ; \quad U_{AB} = 10\ V\)

❓Question :
Déterminer la valeur de la tension \(U_2\).
🔒 Abonnez-vous pour accéder à la correction détaillée .
Association des conducteurs ohmiques -exercices corrigés
