La loi des nœuds et La loi d’additivité des tensions -Cours
Loi des nœuds et loi
d’additivité des tensions
Lois des intensités du courant dans un circuit électrique
1) l’intensité du courant électrique dans un montage en série
a/ Activité expérimentale
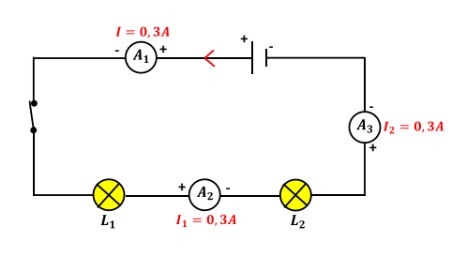
On réalise le circuit suivant (trois ampèremètres placés en série dans le même circuit).

b/ Observation
Les trois ampèremètres indiquent la même intensité \(I = I_1 = I_2\).
c/ Conclusion
Dans un circuit en série, l’intensité du courant électrique a la même valeur en tout point.
2) l’intensité du courant électrique dans un montage en parallèle (dérivation)
* Remarque : Montage comportant une branche principale et des branches dérivées.

a/ Activité expérimentale
On réalise le montage électrique avec deux lampes en parallèle et trois ampèremètres.

b/ Observation
Les trois ampèremètres indiquent : \(I = 0,42\ A\) ; \(I_1 = 0,21\ A\) et \(I_2 = 0,21\ A\).
On observe que : \(I = I_1 + I_2\).
c/ Conclusion
Dans un circuit en dérivation, l’intensité du courant de la branche principale est égale à la somme des intensités des courants dans les branches dérivées.
⚡ Loi des nœuds :
La somme des intensités des courants qui arrivent à un nœud est égale à la somme des intensités des courants qui en sortent.
\(I_{\text{entrants}} = I_{\text{sortants}}\)

Lois des tensions dans un circuit électrique
1) La tension électrique dans un montage en série
a/ Activité expérimentale
On réalise le montage électrique suivant : générateur, deux récepteurs en série, voltmètres aux bornes du générateur et de chaque récepteur.

b/ Observation
Les voltmètres indiquent : \(U = 12\ V\) ; \(U_1 = 5,5\ V\) et \(U_2 = 6,5\ V\).
On observe que : \(U = U_1 + U_2\).
c/ Conclusion
Dans un circuit en série, la tension aux bornes du générateur est égale à la somme des tensions aux bornes des récepteurs.
📐 Loi d’additivité des tensions :
Dans un circuit en série, la tension aux bornes du générateur est égale à la somme des tensions entre les bornes des récepteurs branchés dans le circuit.
\(U_{\text{générateur}} = U_1 + U_2 + \dots\)
2) La tension électrique dans un montage en parallèle (dérivation)
a/ Activité expérimentale
On réalise le montage avec deux dipôles branchés en parallèle aux bornes du générateur. Voltmètres en parallèle sur chaque dipôle.

b/ Observation
Les trois voltmètres indiquent la même valeur : \(U = U_1 = U_2\).
c/ Conclusion
Dans un circuit en parallèle, les tensions aux bornes des dipôles sont égales.
📌 Règle : En dérivation, la tension est identique entre tous les dipôles branchés en parallèle.
Lois fondamentales : nœuds & additivité
Loi des nœuds
Somme des intensités arrivant à un nœud = somme des intensités qui en sortent.
\(I_{in} = I_{out}\)
Loi d’additivité (série)
La tension du générateur est la somme des tensions des récepteurs en série.
\(U_G = U_1 + U_2 + \dots\)
Égalité des tensions (parallèle)
En parallèle, tous les dipôles ont la même tension à leurs bornes.
\(U = U_1 = U_2\)
💡 À mémoriser : Série → intensité constante, tensions s’ajoutent.
Parallèle (dérivation) → tension identique, courants s’additionnent (loi des nœuds).
Applications : calculs avec les lois
🔗 Circuit série : additivité des tensions
Un générateur de \(U = 24\ \mathrm{V}\) alimente trois lampes en série. \(U_1 = 6,2\ \mathrm{V}\), \(U_2 = 8,3\ \mathrm{V}\). Calcul de \(U_3\) :
\(U = U_1 + U_2 + U_3 \;\Rightarrow\; U_3 = U – (U_1+U_2) = 24 – (6,2+8,3) = 9,5\ \mathrm{V}\)
🔀 Circuit parallèle : loi des nœuds
Courant principal \(I = 1,2\ \mathrm{A}\), courant dans une dérivation \(I_1 = 0,45\ \mathrm{A}\). Trouver \(I_2\) :
\(I = I_1 + I_2 \;\Rightarrow\; I_2 = 1,2 – 0,45 = 0,75\ \mathrm{A}\)
✔️ Vérification de la loi des nœuds au point de branchement.
✏️ Exercice résolu : Deux résistances en parallèle. Intensité principale \(0,9\ \mathrm{A}\), intensité branche 1 = \(0,4\ \mathrm{A}\). Quelle est l’intensité dans la deuxième branche ?
\(I_2 = I – I_1 = 0,9 – 0,4 = 0,5\ \mathrm{A}\)
⚡ Additivité des tensions : Générateur 9V, deux lampes en série, l’une a 3,2V → l’autre : \(9 – 3,2 = 5,8\ \mathrm{V}\).
Conclusion
✔️ Loi des nœuds → conservation du courant électrique à un point de jonction.
✔️ Loi d’additivité des tensions : en série, la tension totale se répartit entre les récepteurs.
✔️ En parallèle, les tensions sont identiques, tandis que les courants se divisent selon la loi des nœuds.
La loi des nœuds et La loi d’additivité des tensions -Cours
